LY.COM
中文
|
服务热线:400-969-1233
LY.COM-乐鱼(中国)
关于LY.COM-乐鱼(中国)
产品中心
工程案例
LY.COM
科技创新
LY.COM-乐鱼(中国)服务
LY.COM-乐鱼(中国)
关于LY.COM-乐鱼(中国)
产品中心
工程案例
LY.COM
科技创新
LY.COM-乐鱼(中国)服务
企业动态
行业动态
塔式起重机
施工升降机
混凝土机械
屋面吊
桥梁工程
装配式建筑工程
水利水电工程
核电火电工程
机场港口工程
高层商业建筑工程
海外工程
技术中心
科研动态
新技术引用
专利技术
科研成果
企业介绍
发展历程
组织架构
资质荣誉
生产制造
联系我们
营销网络
用户服务
LY.COM-乐鱼(中国)租赁
LY.COM-乐鱼(中国)物流
LY.COM
SINCE1952
始于1952
企业动态
行业动态
LY.COM-乐鱼(中国)
>
LY.COM
> 企业动态
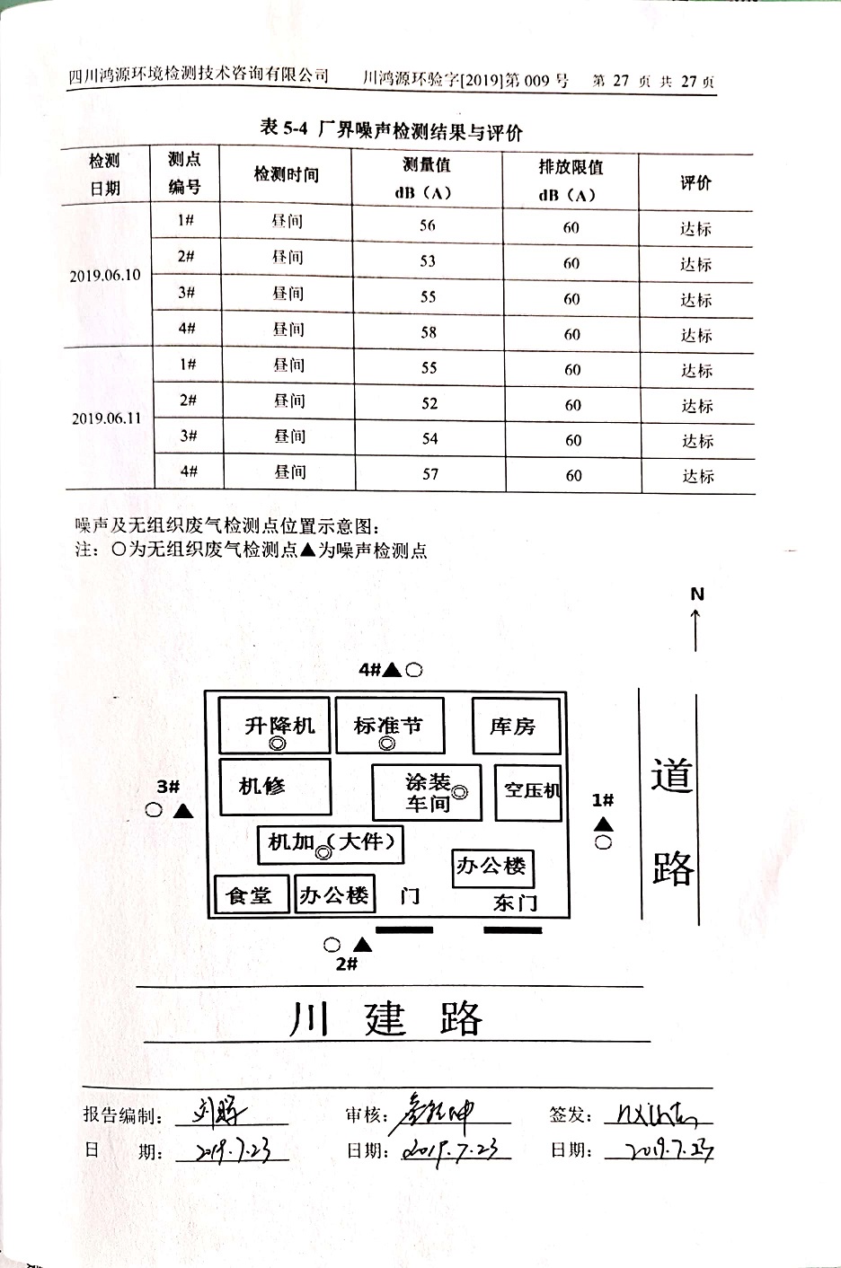
公司废气、废水、噪声检测报告
发布时间:2019-08-30 阅读次数:6732 来源:
上一篇
下一篇
关闭
安川变频器GA700技术手册
关注LY.COM-乐鱼(中国)微信公众号 快速掌握最新资讯